找回密码
 立即注册
精研社 门户 创新分享

创新分享

RSS
  • “懒人”裤子
    “懒人”裤子
    这条纯棉家居裤子专为“懒人”设计,腿部特别贴有易拉扣的备用“裤面”——方便的裤面可以用来擦手,而且即便弄脏了也不用洗整条裤子,非常适合懒人。 售价:50欧元【点此购买】……
    ߣJYID | ʱ䣺2012-4-28 00:00 | Ķ5 | ظ0
  • 苔藓发电桌
    苔藓发电桌
    生物光伏发电技术是一项极具发展前景的新兴技术,它可将生物化学能利用海藻、蓝藻细菌和维管植物等媒介转换为电能,为设备供电。这台设计奇特的桌子便是这项技术的最新代表作:桌子内的苔藓小盆底部铺有导电纤维涂层 ...……
    ߣJYID | ʱ䣺2012-4-28 00:00 | Ķ8 | ظ0
  • 防眩光、防雾气的新型玻璃涂层
    防眩光、防雾气的新型玻璃涂层
    美国麻省理工学院近日公布了一项具有革新意义的新发明——可防眩光、防雾气的新型玻璃涂层。在显微镜下观察,这种涂层表面竖立着密集锥状物,而正因为如此,水滴会在其表面如同橡胶球一般弹射开来,不会留下任何痕迹 ...……
    ߣJYID | ʱ䣺2012-4-28 00:00 | Ķ5 | ظ0
  • 画双眼皮的小工具
    画双眼皮的小工具
    眼睛是五官之首,而双眼皮则会让一双美丽漂亮的大眼睛锦上添花。这款化妆小工具是专门用来描画加深双眼皮的,其使用方法类似于圆规,需要将一个支点靠在脸颊上,然后转动把手,另一头的小刷子就可以加深双眼皮的凹痕 ...……
    ߣJYID | ʱ䣺2012-4-27 00:00 | Ķ6 | ظ0
  • 轮椅滑雪配件
    轮椅滑雪配件
    北欧多冰雪的路面常常会让轮椅使用者寸步难行。热爱滑雪的设计师特别为轮椅的前小轮定制了一套小型滑雪板,可以轻松简单固定在轮椅前轮上,在减少了滑行阻力的同时还提升了操控性与安全性,让轮椅使用者也可以体会到 ...……
    ߣJYID | ʱ䣺2012-4-27 00:00 | Ķ6 | ظ0
  • 新型塑料太阳能电池
    新型塑料太阳能电池
    近日,美国佐治亚理工学院的研究团队宣称,他们已经研发出一种新型的塑料太阳能电池。与传统的太阳能电池外层需要厚厚的玻璃或昂贵的密封层相比,这种新型电池外层厚度在1微米之内。研究人员从稀释溶剂中获取聚合物 ...……
    ߣJYID | ʱ䣺2012-4-27 00:00 | Ķ7 | ظ0
  • 鞋子笔袋
    鞋子笔袋
    这款特别的笔袋借鉴了匡威经典鞋子的造型,外形十分时尚。上课掏出这样的笔袋放在桌上,说不定会令老师大吃一惊呢。突破传统,就从桌面开始吧。 售价:22.95美元【点此购买】……
    ߣJYID | ʱ䣺2012-4-26 00:00 | Ķ7 | ظ0
  • 趣味河马桌
    趣味河马桌
    一只憨厚的小河马从水面下露出头来,静静的观察着周围的世界——设计师巧妙地使用玻璃作为水面为我们呈现出如此讨巧逗趣的作品,让人忍俊不禁。 设计:Mark Stoddart……
    ߣJYID | ʱ䣺2012-4-26 00:00 | Ķ6 | ظ0
  • 搞怪的面具相机
    搞怪的面具相机
    触觉与视觉是人类感知世界、与人交流的主要渠道。然而,网络科技的发达则让我们变得越来越闭塞,许多人喜欢“宅”在家中。近日,一位日本媒体设计师设计了这台造型奇特的头盔式面具相机,旨在帮助人们用一种新的方式 ...……
    ߣJYID | ʱ䣺2012-4-26 00:00 | Ķ6 | ظ0
  • 儿童车“排气管”
    儿童车“排气管”
    大排量摩托车低沉而又充满力量感的排气声经常会让热爱摩托车的人兴奋不已。玩具厂商专门为儿童制作了一款安装在自行车后轮的模拟发音排气管,在骑行时它会发出轰隆隆的咆哮声,让小朋友们也能过过骑摩托车的瘾。 售 ...……
    ߣJYID | ʱ䣺2012-4-25 00:00 | Ķ9 | ظ0
  • 趣味动物折叠刀
    趣味动物折叠刀
    瑞士军刀虽然功能齐全,但所有工具展开后的样子并不那么漂亮。充满创意的设计师把折叠组合刀工具套装换成了极具趣味性的动物图案——有犀牛、麋鹿和长颈鹿等,而且能摆放出80余种不同的图形组合,集功能性和娱乐性于 ...……
    ߣJYID | ʱ䣺2012-4-25 00:00 | Ķ9 | ظ0
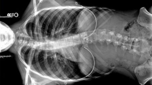
  • 首台磁性控制骨骼矫正器
    首台磁性控制骨骼矫正器
    脊柱侧弯是一种后天性脊柱扭曲现象,常见于青少年儿童,会导致呼吸困难,走路歪斜等症状。传统疗法多通过手术,每隔六个月将植入的骨骼校正装置重新调整角度,“强迫”性将脊柱回归原位。近日,香港大学医学研究者创 ...……
    ߣJYID | ʱ䣺2012-4-25 00:00 | Ķ8 | ظ0
  • 小树墩便笺
    小树墩便笺
    很久很久以前,聪明的古人就通过观测树的年轮来判断发生过的大事,并对未来做出预测。这款可爱的小树墩便笺让我们可以体味结绳记事的时代,写在上面的每一句话都仿佛有书写历史的厚重感。 售价:8美元【点此购买 ...……
    ߣJYID | ʱ䣺2012-4-24 00:00 | Ķ6 | ظ0
  • 旅行用加湿器
    旅行用加湿器
    去气候干燥的地方出差或是旅行如果有加湿器会舒服许多,但是一般市面上的加湿器体积都比较大不便携带。这款外形小巧的加湿器,专门为出门在外的商旅人士设计,为了最大限度的节约空间,这款加湿器本身并没有储存液体 ...……
    ߣJYID | ʱ䣺2012-4-24 00:00 | Ķ8 | ظ0
  • IBM研发会“呼吸”的锂电池
    IBM研发会“呼吸”的锂电池
    在燃油紧缺的今天,电动汽车成为各大汽车厂商和科技巨头们的重点研发对象,而其中首要的便是需要解决汽车充电以及电池等问题。IBM公司最近正在研发一种锂离子空气电池,该电池工作时通过吸入空气中的氧气,并让氧气 ...……
    ߣJYID | ʱ䣺2012-4-24 00:00 | Ķ6 | ظ0
  • 趣味旋扭图钉
    趣味旋扭图钉
    为了解决传统图钉或工字钉容易从告示板上脱落或难以拔出等问题,设计师重新设计了一款可旋扭的一字图钉:带有螺纹的钉针让我们轻松旋进几乎任何质地的材料,并且保证不会轻易脱落。此外,图钉头还可以另作他用,比如 ...……
    ߣJYID | ʱ䣺2012-4-23 00:00 | Ķ7 | ظ0
  • 侧滑iPhone键盘
    侧滑iPhone键盘
    图片上的手机可不是山寨版的侧滑iPhone5,而是一款货真价实的iPhone 4s,只不过穿了一个侧滑键盘“小马甲”。为了提升iPhone手机的打字与娱乐体验,设计师为手机制作了这款物理侧滑键盘,它依靠磁性连接件,键盘可轻 ...……
    ߣJYID | ʱ䣺2012-4-23 00:00 | Ķ7 | ظ0
  • 方便的指纹门锁
    方便的指纹门锁
    指纹锁并不是新奇的产品,而这款指纹锁之所以能在众多同类产品中脱颖而出得益于它贴心的人体工学设计:指纹辨识所在的位置非常巧妙,让人们可以同时完成识别指纹和开门的动作,实在是非常方便。 设计:Donguk Seo……
    ߣJYID | ʱ䣺2012-4-23 00:00 | Ķ9 | ظ0
  • 山地车随行充气系统
    山地车随行充气系统
    复杂的越野地形对山地车的胎压有极高的要求:多石坑洼路面要求内部气压较小,减少颠簸,增强抓地力;而平坦路面则要求气压较大,车胎较硬,以便急速行驶。为了能够方便而且快速控制车胎气压,国外一家运动装备公司设 ...……
    ߣJYID | ʱ䣺2012-4-22 00:00 | Ķ6 | ظ0
  • 酒杯标签
    酒杯标签
    朋友聚会聊天难免小酌一番,但是经常会发生分不清楚杯子“主人”是谁的事情。这款专为高脚杯设计的酒杯“标签”,可以在空白处写上名字作为区分,即便是酒过三巡也可以避免尴尬使用他人杯子的情况发生。由于这款标签 ...……
    ߣJYID | ʱ䣺2012-4-22 00:00 | Ķ9 | ظ0
  • 灯“泡”
    灯“泡”
    意大利人激进、夸张、不遵循传统,脑子里充满了千奇百怪的想法。这盏出自意大利设计师之手的奇趣吊灯就为我们诠释了这一点。这盏会自己吹气泡的灯,可以连续不断地吹出大大的气泡,虽然亮度有些微弱,但是一个个灯泡 ...……
    ߣJYID | ʱ䣺2012-4-22 00:00 | Ķ8 | ظ0
  • 趣味纸条弹射记事本
    趣味纸条弹射记事本
    为了庆祝短信服务(SMS,Short Message Service)开通20周年,意大利著名笔记本生产商巧借语意,特别推出了这款“消息发射记事本”(Shooting Message System,首写字母与SMS相同)。本子的封底印有测距表,您可以利 ...……
    ߣJYID | ʱ䣺2012-4-21 00:00 | Ķ8 | ظ0
  • 地图鱼缸
    地图鱼缸
    这款名为“游遍世界”的鱼缸,在内部藏有一幅“世界地图”。将这样鱼缸摆放在家中,不仅具有极好的家居装饰效果,而且还可以在陶冶情操的同时增长地理知识,真是一举两得。 设计:Takuro Yamamoto Architects……
    ߣJYID | ʱ䣺2012-4-21 00:00 | Ķ7 | ظ0
  • 手机用绝缘防水涂层
    手机用绝缘防水涂层
    不少人在生活中都遇到过手机进水的窘境,特别是心爱的手机如果就此损坏更会人十分恼火。日本大金工业(Daikin Industries)公司特别研发了一种新型涂层,可以有效提升电路板的防水能力,从而让手机具有防水功能。这 ...……
    ߣJYID | ʱ䣺2012-4-21 00:00 | Ķ8 | ظ0
  • 反转雨伞
    反转雨伞
    携带被淋湿的雨伞在室内行走总是不太方便,伞面的雨水非常容易将衣服或随身物品沾湿。这款创新的雨伞,收起时会将伞内部没淋湿的一面朝外,向淋湿的一面折叠——小小的改变就巧妙地解决了生活的大难题。 设计:Ahn ...……
    ߣJYID | ʱ䣺2012-4-20 00:00 | Ķ8 | ظ0
  • “HOLD住”座椅
    “HOLD住”座椅
    彻底地打扫地面是件费时费力的事,多腿的椅子经常会挡住去路。一位马来西亚设计师设计的这张方便的“HOLD住”座椅,采用椅面与框架滑动分离结构,让座椅可以“夹”在桌沿上,从而在不弄脏桌面情况下省时省力地完成地 ...……
    ߣJYID | ʱ䣺2012-4-20 00:00 | Ķ7 | ظ0
  • smart汽车撞球游戏
    smart汽车撞球游戏
    在德国法兰克福,奔驰公司举行了一场别开生面的smart汽车游戏活动。这一活动利用真实汽车操控大屏幕上的小车,将小车作为挡板进行撞球,接不住球的一方则视为失败。汽车公司巧妙利用了游戏中车只能前进或后退的规则 ...……
    ߣJYID | ʱ䣺2012-4-20 00:00 | Ķ8 | ظ0
  • 手电手套
    手电手套
    在光线昏暗的地方,即便是熟练的装配工人也很难保证能够一手拿手电,另一只手将螺丝准确而快速地拧好。由意大利设计师构思的这款自发光手套却可以帮大忙——套在手上的光源让双手在工作的同时也不必担心照明问题,极 ...……
    ߣJYID | ʱ䣺2012-4-19 00:00 | Ķ6 | ظ0
  • 超吸油的纳米管海绵
    超吸油的纳米管海绵
    油轮泄露让海面上漂浮着大量油污,进而导致不少鱼类与海鸟窒息而死,不仅严重地破坏了生态平衡,而且对附近海域也造成了几乎无法挽救的后果。为了最大限度挽回局面,回收泄露石油,美国莱斯大学与宾州州立大学的研究 ...……
    ߣJYID | ʱ䣺2012-4-19 00:00 | Ķ5 | ظ0
  • 安全钥匙手镯
    安全钥匙手镯
    出门跑步或运动时为了减轻负担通常只会携带家门钥匙,但是剧烈的震动常常让钥匙从较浅的裤兜中滑落出去。面对这个棘手的问题,睿智的设计师为我们制作了这款硅橡胶钥匙手镯,它将钥匙作为手镯闭合连接的桥梁,使用方 ...……
    ߣJYID | ʱ䣺2012-4-19 00:00 | Ķ6 | ظ0

Ѷ

ƼѶ

Ķа

ר

QQ|网站地图|Archiver|手机版|小黑屋|精研社 ( 粤ICP备2021041072号-2 )|网站地图

GMT+8, 2025-11-22 14:33 , Processed in 0.087783 second(s), 70 queries .

Powered by Discuz! X3.5 Licensed

Copyright © 2001-2020, Tencent Cloud.

返回顶部